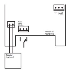
GILGEN SC-10 kodetastatur fungerer som stand alone via internt potentialfrit relæ, der aktiveres ved indtastning af korrekt forudindstillet kode.
Kodetastaturet forbindes til den medfølgende relæboks via en ledning, således at tastaturet f.eks. kan placeres udvendigt og relæboksen indvendigt.
Kvaliteten er gedigen og særdeles holdbar.